본문으로 바로가기
철도공학
철도공학
선로공학
궤도공학
철도공학 개론
철도공학 및 법규
고속선로의 관리
철도공학 기본
철도관련 서적
철도기술사
철도기술사 기출문제
철도기술사 문제해설
기술사 준비 (동영상)
철도기술사 자료 (1)
철도기술사 자료 (2)
철도기술사 용어해설
철도기술사 서브노트
합격수기 · 시험준비
철도토목기사
철도토목기사 기출문제 (필기)
철도토목기사 기출문제 (실기)
철도토목기능사 기출문제 (필기)
철도토목기능사 기출문제 (실기)
철도토목기사 기출 및 예상문제 풀이
제1과목 : 철도공학
제2과목 : 측량학
제3과목 : 응용역학
제4과목 : 철도보선관계법규
기타자료
철도자료
궤도시공 · 유지관리
궤도연구 · 궤도보고서
철도보선장비 · 특수차
법규 · 규정 · 물품표준(KS)규격
학회 · 논문 · 세미나
철도 도면자료 (CAD)
궤도 정밀진단 및 성능평가
궤도일반 예상문제
궤도일반 질문답변
고속철도 · 경전철 · 자기부상
신호 · 차량 · 운전 · 정거장
기타 · 철도자료
AI Q&A
Google AI 질문 · 답변
동영상
뮤직 비디오
유익한 · 감동 · 유머
궤도 · 시공 · 유지관리
철도보선장비 · 특수차
고속철도 · 신교통시스템
철도사진
궤도 · 시공 · 유지관리
철도보선장비 · 특수차
궤도자재 · 철도용품
고속철도 · 도시철도 · 경전철
철도 · 지하철역
기타사진
커뮤니티
자유게시판
공지사항
질문 & 답변
포인트충전 TEST
철도 · 지하철 뉴스
경영 · 인사 · 유익한정보
자주묻는 질문 (FAQ)
홈페이지 자료
로그인
ID/PW 찾기
회원가입
철도공학
철도기술사
철도토목기사
철도자료
AI Q&A
동영상
철도사진
커뮤니티
2025.10.29 09:01
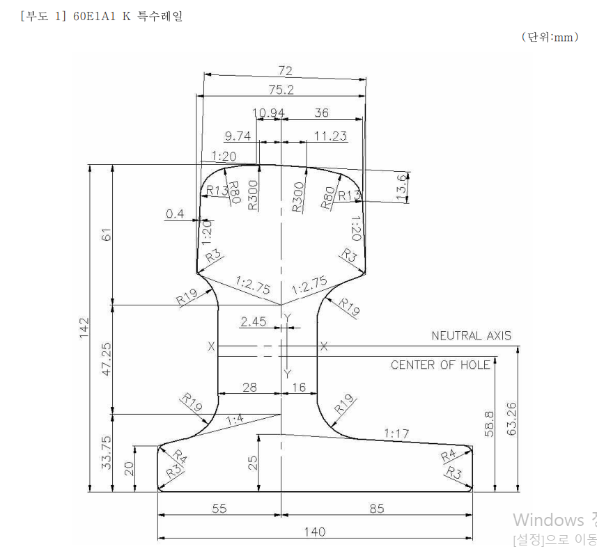
60E1A1 K 특수레일 도면
송정석
Atachment
첨부
'
1
'
60E1 A1 K 특수레일.png
,
위로
아래로
댓글로 가기
첨부
✔
댓글 쓰기
?
댓글 쓰기 권한이 없습니다. 로그인 하시겠습니까?
List of Articles
번호
제목
글쓴이
날짜
포인트 모으는(충전) 방법
송정석
2025.09.10
자료를 다운 받을 시 100포인트 차감, 관련 자료를 게시할 시 300포인트 충전
송정석
2015.05.08
45
NS-25 설치 동영상
솜사탕
2024.07.17
44
전차선 시공 동영상
솜사탕
2024.07.17
43
열차 주행중 판타 파손영상
[5]
솜사탕
2024.07.17
42
합성침목 PR자료
[10]
돼지
2024.07.31
41
고속철도 유지관리
[11]
돼지
2024.07.31
40
레일연마 이론과 품질관리
[9]
돼지
2024.08.06
39
궤도선형검측기(트랙마스터) - 체코 제품
[10]
송정석
2024.08.06
38
철도관련 용어정리
[29]
송정석
2024.09.02
37
레일연마 이론과품질점검
[7]
돼지
2024.09.04
36
밀페공간에서의 작업안전
[5]
돼지
2024.09.04
35
가드레일의 종류 및 부설방법
[21]
돼지
2024.09.04
34
철도용어사전(한국철도공사)
[41]
이한이서
2024.09.12
33
교량상 장대레일 축력저감 및 궤도안정성 향상 방안 연구(최종보고서)
[11]
송정석
2024.09.24
32
1종장비 작업 사진 입니다
[3]
욕지
2025.01.10
31
도시철도 정거장 건축공사 과정의 이해
[4]
곤이지지
2025.02.10
30
레일 손상의 종류
[12]
설악단
2025.03.11
29
레일 코팅시스템 설명자료
[6]
설악단
2025.03.11
28
철도운영기관별 살수차 보유현황
[8]
설악단
2025.03.11
27
레일의 파상마모 설명
[21]
설악단
2025.03.11
26
경부고속선 자동살수장치 시공 개념도
[3]
무무
2025.05.28
25
소음 저검용 도유기 설치
무무
2025.05.28
24
레일 도유기 에 의한 소음 저감효과 연구자료
[3]
무무
2025.05.28
23
레일탐상기(RT10-C) 사용자매뉴얼
[2]
무무
2025.05.29
22
철도 레일 PAUT 검사 매뉴얼(포터블탐상기)
[1]
무무
2025.05.29
21
탐상기 매뉴얼(AD-3214RS)
[2]
무무
2025.05.29
20
레일 직진도기(RailProf) 사용 조작 매뉴얼(데이터 출력 포함)
[5]
무무
2025.05.29
19
psm 공법에서 사용하는 스페셜 트롤리
[1]
미널
2025.06.04
18
분기기설치에 사용되는 간격재와 멈춤쇠의 차이가 궁금합니다.
엄니
2025.06.08
17
Vanguard 체결구 유지관리 매뉴얼
[2]
철이준이
2025.06.12
16
선로전환기 명칭 및 점검요령
[6]
철이준이
2025.06.12
15
분기기 종류 및 특징(일반철도, 고속철도)
[8]
철이준이
2025.06.12
14
장대레일의 전반에 대한 이해
[12]
철이준이
2025.06.12
13
궤도시공 실시설계 보고서(383쪽)
[1]
송정석
2025.09.10
12
열차제동거리(국가철도공단 설계기준 발췌)
[1]
송정석
2025.09.10
11
고속선에서의 레일 파상마모 특성 분석
[1]
송정석
2025.09.16
10
레일용접 종류 및 특징
[5]
송정석
2025.09.16
9
철도중장비 정비 시스템 구축 방안(철도공사 정비 시스템 및 해외 벤치마킹)
[2]
송정석
2025.09.17
8
중국산레일
[1]
어시스트
2025.10.24
7
콘크리트도상 궤도 유지관리 지침서(코레일)
송정석
2025.10.27
6
콘크리트도상 유지관리 개선방안
john
2025.10.28
5
장대레일 재설정(인장기)시 레일 절단량 계산
송정석
2025.10.29
4
60E1A1 K 특수레일 (공단 잠정표준규격)
송정석
2025.10.29
»
60E1A1 K 특수레일 도면
송정석
2025.10.29
2
신분당선 궤도구조 검토 및 선정 (Vanguard 궤도 포함)
송정석
2025.10.30
1
신분당선 주요 궤도설계 및 부설기준
송정석
2025.10.30
Search
검색
제목+내용
제목
내용
댓글
닉네임
태그
쓰기
Board Pagination
Prev
1
...
54
55
56
57
58
59
60
61
62
63
Next
/ 63
GO
rhwlsghkcocndgus XE1.11.9 WIDEIN1.6.2
HOME
로그인
회원가입
철도공학
철도공학
선로공학
궤도공학
철도공학 개론
철도공학 및 법규
고속선로의 관리
철도공학 기본
철도관련 서적
철도기술사
철도기술사 기출문제
철도기술사 문제해설
기술사 준비 (동영상)
철도기술사 자료 (1)
철도기술사 자료 (2)
철도기술사 용어해설
철도기술사 서브노트
합격수기 · 시험준비
철도토목기사
철도토목기사 기출문제 (필기)
철도토목기사 기출문제 (실기)
철도토목기능사 기출문제 (필기)
철도토목기능사 기출문제 (실기)
철도토목기사 기출 및 예상문제 풀이
제1과목 : 철도공학
제2과목 : 측량학
제3과목 : 응용역학
제4과목 : 철도보선관계법규
기타자료
철도자료
궤도시공 · 유지관리
궤도연구 · 궤도보고서
철도보선장비 · 특수차
법규 · 규정 · 물품표준(KS)규격
학회 · 논문 · 세미나
철도 도면자료 (CAD)
궤도 정밀진단 및 성능평가
궤도일반 예상문제
궤도일반 질문답변
고속철도 · 경전철 · 자기부상
신호 · 차량 · 운전 · 정거장
기타 · 철도자료
AI Q&A
Google AI 질문 · 답변
동영상
뮤직 비디오
유익한 · 감동 · 유머
궤도 · 시공 · 유지관리
철도보선장비 · 특수차
고속철도 · 신교통시스템
철도사진
궤도 · 시공 · 유지관리
철도보선장비 · 특수차
궤도자재 · 철도용품
고속철도 · 도시철도 · 경전철
철도 · 지하철역
기타사진
커뮤니티
자유게시판
공지사항
질문 & 답변
포인트충전 TEST
철도 · 지하철 뉴스
경영 · 인사 · 유익한정보
자주묻는 질문 (FAQ)
홈페이지 자료
abcXYZ, 세종대왕,1234
abcXYZ, 세종대왕,1234