You cannot see this page without javascript.

Songjs AI 철도관련 전문 지식 베이스와 Gemini AI가 연결되었습니다.
Extra Form

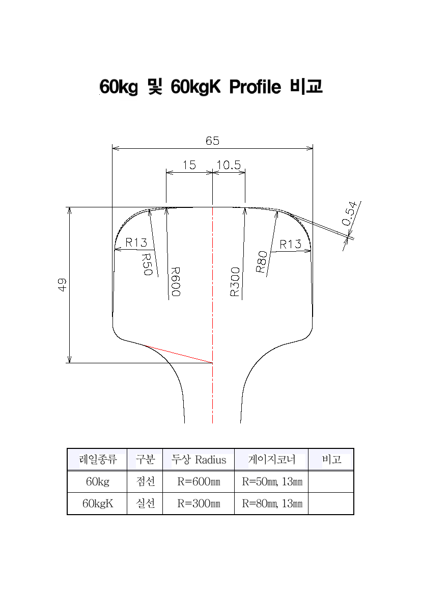
참고적으로 60K레일과 60KR 형상은 동일 함.

60kg와 60kgK Profile 비교.png


  • ?
    송정석 2011.07.20 21:58
    60K 레일 형상은
    두부는 50N 레일 형상이고,
    복부 및 저부는 기존 60kg 레일 형상으로 되어 있습니다.
    레일두부인 50N레일은 안전성이 입증된 것으로
    또한 복부 및 저부는 기존 이음매판 등 재료와의 호환성 등을 고려한 것 임.
  • ?
    정혁 2012.02.29 19:43
    자료감사합니다.^6
  • ?
    김선형 2012.03.03 09:45
    좋은자료감사합니다.
  • ?
    이재혁 2012.03.15 16:58
    좋은자료 잘보고 갑니다.
  • ?
    임규태 2012.06.12 21:48
    좋은 자료 잘 보고 갑니다.
  • ?
    남형기 2012.08.29 01:17
    유용한 자료 감사합니다.
  • ?
    장성수 2012.10.06 15:27
    좋은 내용 감사합니다
  • ?
    선하늘 2013.01.13 17:00
    좋은 자료 감사합니다!
  • ?
    김태문 2013.03.26 18:48
    좋은정보감사합니다.복받으세요^^
  • ?
    이금열 2013.08.13 16:13
    좋은 자료 감사합니다
  • ?
    이동훈 2014.05.27 09:49
    좋은자료 감사합니다.
  • ?
    정승화 2014.11.22 09:11
    좋은자료 정말 고맙습니다.
  • ?
    이희원 2014.11.28 03:15
    좋은자료 정말 감사해요
  • ?
    여비 2015.03.31 11:05
    자료 감사합니다
  • ?
    비베 2015.09.04 16:39
    좋은자료 감사합니다.
  • ?
    백곰작가 2022.07.07 11:04
    감사합니다.

List of Articles
번호 제목 글쓴이 날짜 조회 수
공지 포인트 모으는 방법 : 개정된 내용 송정석 2019.03.30 565
203 궤간의 정의와 측정법 [16] update 송정석 2013.02.28 5667
202 HSST [6] update 송정석 2013.02.07 2748
201 장대레일(강태구) [32] update 송정석 2012.07.21 3407
200 철도공학 : 제9장 장대레일 (요점정리) [16] update 송정석 2012.07.19 2946
199 궤도구조중 분기부의 문제점과 고속전철의 분기설치 대책 [11] update 송정석 2012.07.08 2896
198 경전철이란? [21] update 송정석 2012.05.09 3066
197 알기쉬운 철도용어 해설집 [19] update 송정석 2012.04.24 4449
196 철도공학 분기장치 [15] update 송정석 2012.04.12 4019
195 망간크로싱 특징 및 상판부설 위치 [22] update 송정석 2006.10.19 3730
194 보통레일과 열처리레일 구분하는 방법 [23] update 송정석 2012.03.03 4449
193 슬랙량의 축소 효과 [21] update 송정석 2011.07.22 4765
» 60kg레일과 60K 레일형상(Profile) 비교 [16] update 송정석 2011.07.18 4986
191 철도공학 궤도재료 (침목편) [5] update 송정석 2013.05.08 557
190 철도궤도재료공학 : 제1장 총론 [7] update 송정석 2012.09.03 584
189 철도궤도재료공학 : 제2장 궤도구조 및 궤도재료 [8] update 송정석 2012.09.03 559
188 철도궤도재료공학 : 제3장 레일 [9] update 송정석 2012.09.03 563
187 철도궤도재료공학 : 제4장 침목 [10] update 송정석 2012.09.03 503
186 철도궤도재료공학 : 제5장 도상자갈 [8] update 송정석 2012.09.03 465
185 철도궤도재료공학 : 제6장 분기기 [11] update 송정석 2012.09.03 591
184 철도궤도재료공학 : 제7장 이음매와 레일체결장치 [7] update 송정석 2012.09.03 524
Board Pagination Prev 1 2 3 4 5 6 7 8 9 10 ... 15 Next
/ 15